by ; Zakir Skynet
Jurnal ilmiah kali ini paman zak akan membahas bagaimana membuat sebuah cd dc untuk semua motor, salah satu kesulitan membuat cdi dc adalah langkanya sebuah trafo model ferite core di toko electronik dikota Tangerang tidak dijumpai PRODUK TRAFO ferrite core yang menjualnya. Seperti sebuah pepatah tidak ada batang akarpun jadi, maka ide pun tumbuh sebuah inverter ccfl 12 volt digunakan sebagai sumber energy untuk memasok capacitor ignition. setelah melalui penelitian yang panjang dan serius akhirnya disimpulkan bahwa inverter ccfl 12 volt dapat digunakan untuk sebuah cdi. gambar dibawah ini adalah sebuah inverter 12 volt ccfl dalam bahasa umum fitting inverter
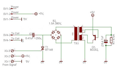
Cara kerja cdi ac maupun dc bisa dilihat pada gambar dibawah ini
Contoh rangkaian inverter CCFL 12 volt
penampakan rangkaian inverter ccfl wujud nyata |
Cara mudah membuat cdi dc untuk semua motor
Output power inverter ccfl menghasilkan tegangan 400 volt dari input power dari aki battery 12 volt dc hal ini membuat proses pembuatan cdi dc lebih mudah langkah ke dua bagaimana mengatur timing pengapian agar pas menghasilkan energy untuk pembajaran diruang bakar motor. hasil pemikiran yang mendalam dari corat coret di kertas kerja dan di ditembok kota menghasilkan sebuah karya baru dan nyata seperti sebuah circuit pertama didunia seperti contoh dibawah ini
Daftar komponen
Q1 tip41 Q2 2n5551
D1 D2 D3 1N007
R2 1K R3 22K R4 2K7 R5 470
C2 4,7 UF 50 VOLT C3 100n C4 1 UF 600 VOLT
bagi yang ingin melihat test cdi dc bisa dilihat disini
Langkah langkah pasti membuat cdi dc pakai inverter CCFL 12 volt
Semoga informasi ini bermanfaat bagi seluruh rakyat Indonesia dan seluruh warga dunia

























